Am 13. Februar 2014 wurde der Preisträger für den Dissertationspreis Adlershof 2013 gekürt: Dr. Martin Hempel hat sich gegen zwei weitere Nominierte durchgesetzt und nach einhelliger Meinung der Jury seine Doktorarbeit „Defekt-Mechanismen in Dioden-Lasern unter hoher optischer Last: Der Catastrophic Optical Damage” in der Endentscheidung am besten präsentiert.
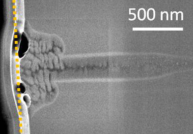
Martin Hempel hatte bereits als Diplomand seine Begeisterung für die Erforschung neuartiger Halbleiterlaser entdeckt und als Doktorand am MBI die ultimativen Leistungsgrenzen dieser universell einsetzbaren Laser untersucht. Dabei beschäftigte sich Hempel insbesondere mit dem sog. Catastrophic Optical Damage (COD). Dieser bezeichnet die Zerstörung von Halbleiter-Dioden-Lasern bei hohen optischen Intensitäten. Dabei wird ein Volumen von ca. 1 µm3 des Laser-Materials durch absorbiertes Laserlicht innerhalb von 1 ns bis zum Schmelzen bei ≈1600°C aufgeheizt. In der Folge breitet sich der Defekt (COD) im Laser mit einer Geschwindigkeit von rund 90 km/h aus. Innerhalb weniger µs wird dadurch der gesamte Laser zerstört, dessen Volumen in etwa 1000-mal größer ist als der Startpunkt des Defekts. In seiner Arbeit konnte Hempel den COD während dessen Entstehung raum-zeitlich verfolgen. Dies brachte neue Einsichten in die physikalischen Mechanismen des Prozesses. Die enge Kooperation mit Herstellern von Halbleiterlasern ermöglicht jetzt eine gezielte Verbesserung der Bauelemente, da deren Schwachstellen im Hochleistungsbetrieb nun schnell und eindeutig identifiziert werden können.


